
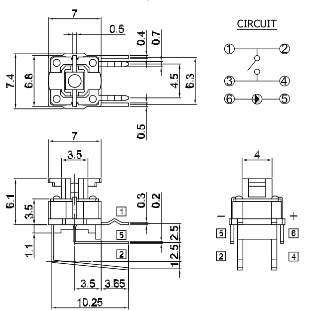
Curent Rating:50mA
Voltang Rating:12VDC
Dielectric Witchstanding voltage:250VAC For1 Minute
Contact Resistance:100mΩ Max.(initial)
Insulation Resistance:100mΩ Min
Operating Force:180±50gf or 250±50gl
Total Travel:0.25mm±0.1mm
Operatong Life:100,000 Cycles Min
Solder specifications:260ofor5 seconds
Function:Momentary
Operating Temerature:-20℃~+70℃

137-2862-0496